介质:压缩空气、惰性气体
介质温度:0 ... 60℃
环境温度:0 ... 60℃
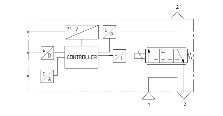
工作电压:DC 24V
进气口:G3/8
出气口:G3/8
排气口:G1/8
防护等级:IP65
重量:0.9kg
比例阀通径:6mm
控制方式:模拟量0-10V;4-20mA
流量:1600L/min
最大工作压力:29bar
压力调节范围:0-25bar
死区:<0.28bar
压力波动范围:5%FS
重复精度:1%FS
滞后偏差 :1%FS
线性度偏差 :1%FS
响应灵敏度偏差 :1%FS
材料 :磁铁 铝合金 镀镍钢
